TF4 Metal & IP68 Waterproof Fingerprint Standalone Access Controller
This is a new generation of multi-function standalone access control.
It adopts a new ARM core 32-bit microprocessor design, which is powerful, stable, and reliable.
It includes card reader mode and standalone access control mode etc..
Its widely applied to different occasions, such as offices, residential communities, villa, bank, and prison, etc..
JINYINGModel:
> TF4EM-W: Metal & IP68 Waterproof, Support Finger + ID Cards
> TF4MF-W: Metal & IP68 Waterproof, Support Finger + IC Cards
Features:
> Read 125KHz EM / 13.56MHz Mifare (Factory default: EM 125KHz)
> Metal backlight keypad
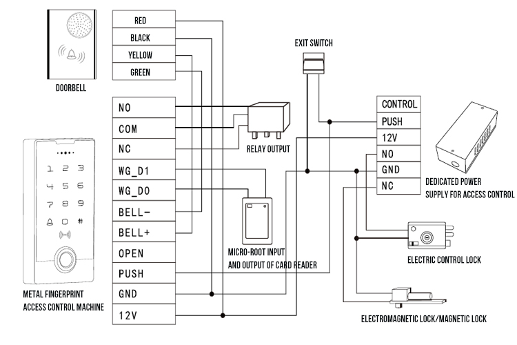
> Contains card reader mode. The transmission format could be adjusted by user.
> Supports different access ways: Entry by Card + Code or Entry by multi cards
> Support master added a card and deleted the card
> User capacity: 10,000 users
Specification:
| Product Parameter | Parameter Description |
| JINYINGModel | TF4 |
| Product Name | Metal Fingerprint Access Control |
|
| Card type | EM / MF |
| User Capacity | 10,000 users |
| Fingerprint Capacity | 1000 |
| Keypad Characteristic | Metal backlight keypad |
| Operating Voltage | DC 12-24V |
| Standby Current | <=35mA |
| Operating Current | <=100mA |
| Operating Temperature | -40℃ ~ 60℃ |
| Operating Humidity | 0%~95% |
| Dimensions | 140x70x23mm |
| Access ways | Fingerprint, card, code, or multiple combination methods |


